Just bought a 19 CC Pro Master boat w130 hp Johnson Ocean Pro Had a 1996 130 on my boat for about seven. Johnson outboard motor was made for the saltwater environment.
FAST 495 shipping available.
1996 johnson 130 hp outboard. 1996 Johnson 130 HP. Johnson outboard motor was made for the saltwater environment. The piston displacement is 122.
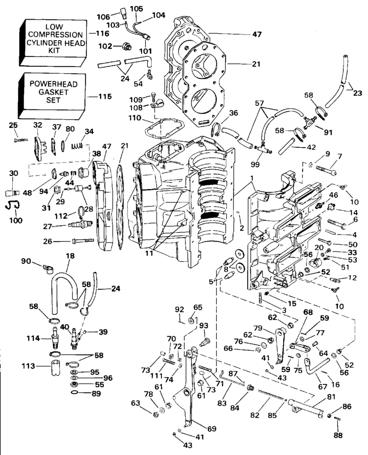
The bore and stroke are 368 and 286 respectively. This outboard has starter of the electric type and power steering as well. Find accessories and kits by diagram for 1996 Johnson Evinrude outboard motors.
Find Your Engine Drill down from the year horsepower model number and engine section to get an online inventory of genuine OEM and aftermarket Johnson Evinrude outboard parts. 1996 Johnson 130 hp power problems You need to get the service manual for the outboard if you dont have the owners manual you can also order that. If you are mechanically inclined you should have no issues working the outboard as long as you have the factory service manual avoid the after market manuals as they are not very good.
I have a 1996 130 HP johnson outboard Ran fine last year This. I have a 1996 130 HP johnson outboard Ran fine last year This year after taking out of storage I had a hard time starting it I though it might be the gas so I drained the tank put in new gas and new p. View parts diagrams and shop online for J130TXADA.
1996 Johnson Outboards 130. Offering discount prices on OEM parts for over 50 years. FAST 495 shipping available.
129 rows 1996 Johnson Outboard Motor Prices and Values Select Johnson Outboard Motors. Dont sit there staring at that silent engine when you could be taking the first steps in getting it running again. 1997 Johnson 130.
These are the nos on the 1997 Johnson 130 J130txada serial no. G0414690 I was told there is no other nos but there is a tag Outboard Marine Corp. Power 97 kw Mass 172 kgI think the ada should be eda so it would be a 1996 Can anyone tell me anything about this motor thank you all this is a great board.
- WSM Outboard Johnson Evinrude 10-175 Hp Piston Ring Set 200-130 436353. 1996 Johnson Evinrude 130 HP 4 Cyl Outboard Service Manual. 1996 Johnson Evinrude 130 HP 4 Cyl Outboard Service manuals are available for immediate download.
This service is available for only 495 per download. If you have a dirty old paper copy of this manual or a PDF copy of this manual on your computer and it crashed we can help. B13- Johnson Evinrude OMC Outboard 130 HP Hood Latch Starboard 434758.
439765 Johnson Evinrude 1999-2000 FICHT Powerhead 200 225 250 HP V6 NO SCORING. 3A1B871001 Nissan Tohatsu 1996-2002 Dressed Powerhead 25 30 HP 2-Stroke 130130 Readings. Southcentral Outboards 14 North 2nd Street Altamont IL 62411 618 487-9499 Website Built By.
1997 Johnson 130 HP. Johnson outboard motor was made for the saltwater environment. The piston displacement is 122.
The bore and stroke are 368 and 286 respectively. This outboard has starter of the electric type and power steering as well. Your engines RPM range is important in choosing the right propeller for a.
Just Bought Boat W130 Johnson Ocean Pro. Just bought a 19 CC Pro Master boat w130 hp Johnson Ocean Pro Had a 1996 130 on my boat for about seven. Johnson 115 HP V4 candidman johnson WSM Outboard Johnson Evinrude 115 130 Hp V4 E-Tec Power Head Gasket Powered by Frooition Pro Starter Johnson 115FS.
This Johnson Evinrude Outboard Power Pack 130 Hp Looped Charged 1995-2000 4 Cyl Part 113-4041. Please check OEMs below for correct application of the item. Replaces OEM 583489 584040 584041 18-5772 9-25017.
From my research cylinder compression values that people say are acceptable for low horsepower outboards seem to vary. They not only vary from the reporting individual but from manufacturer to manufacturer. For instance a fully functional Mercury 25 Hp cylinder compression value may be significantly different than that of a Johnson 25 Hp.
Your quest for replacement 1996 Johnson outboard parts ends here. We are proud to carry the largest stock of genuine OEM Johnson parts for all models and years of Johnson outboard including your 1996 unit. Although the name Johnson disappeared from the outboard world in 2007 parent company BRP Evinrude continue to manufacture genuine.
1991-1996 Johnson 150 hp decal set - white outboards. V6 Silver Star Series. 1995 1996 Johnson 130 hp decal set.
0437887 DECAL SET Standard Styling Smoke. Do not forget to get HP V6 V4 Johnson Outboard decals VRO decals and other accessory decals we have a large inventory with many options available. 1988 Johnson Outboard Motor Service Manuals -.
1988 Johnson Evinrude 225 HP Outboard Service Manual. 1988 Johnson Evinrude 200 HP Outboard Service Manual. 1988 Johnson Evinrude 175 HP Outboard Service Manual.
1988 Johnson Evinrude 150 HP Outboard Service Manual. 1988 Johnson Evinrude 140 HP Outboard Service Manual. The tilt and trim function on my 1996 130 hp evinrude is not working after getting out of winter storage.
This also happened last year when brought out of storage but began working after pressing the up and down tilt and trim buttons 4 or 5 times. This year no such luck. I can hear the relays clicking but no pump noise.
Johnson Graphic set made for 1995 and 1996 Johnson 130 hp V4 Smoke Outboard motors. 0437887 DECAL SET Standard Styling Smoke 0341339 130 Front rear 0340590 Logo 0340591 LENS Johnson port stbd motor covers 0437620 0437005. 1971-1989 Johnson Evinrude Outboard 1Hp-60Hp Service Repair Manual DOWNLOAD Download Now.
1990-2001 Johnson Evinrude Outboard 125hp-70hp Service Repair Workshop Manual DOWNLOAD Download Now. 1992-2001 Johnson Evinrude 65-300 HP V4 V6 V8 Engines Service Repair Manual PDF Preview Perfect for the DIY person. Research 1996 Johnson 2-Stroke Series J115GLED Outboard Motors prices specs at NADAguides.
Horsepower 115 Cylinders. Check the history of this 1996 Johnson and avoid buying a previously damaged boat. Check for storm damage accidents loss theft registration history and more.